****服务热线:+86-010-82719905
网站公告:
诚信为本:市场在变,诚信永远不变...
联系我们
+86-010-82719905
地址:
北京市后沙峪国门1号4FB06
公司:
北京华京顺通科技有限公司
手机:
+86-13436309569
传真:
+86-010-82717017
新闻动态
产品中心 Products
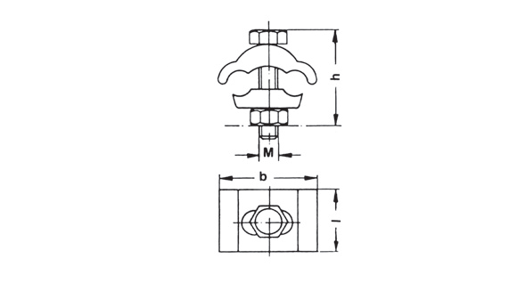
铜制平行双沟线夹
添加时间:2015/12/1 21:31:55
铜制平行双沟线夹

平行双沟线夹 , 铜制 2.5-95mm2

用于螺栓连接导体到 VDE 0295 1 级和 2 级 ,

比如在照明保护区域

特性

用于户外组装

配 1 个螺栓的型号

可提供带有或不带推力板

带有推力板,便于均匀分布在不同导体横截面的压力

材料:

Cu-ETP

螺栓 : 高抗形变 铜合金 F 60

螺母 : 铜

表面:光亮

平行双沟压图.png平行表.png