****服务热线:+86-010-82719905
网站公告:
诚信为本:市场在变,诚信永远不变...
联系我们
+86-010-82719905
地址:
北京市后沙峪国门1号4FB06
公司:
北京华京顺通科技有限公司
手机:
+86-13436309569
传真:
+86-010-82717017
新闻动态
产品中心 Products
铜平行接续管
添加时间:2015/11/30 20:54:52
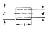
铜平行接续管

铜平行接续管,1.5-300mm2

标准型

用于连接不同的电缆横截面

特性:

退火材料可优化材料及其压接特性

经过特殊制造工艺的平接触表面

材料:符合 EN13600 的铜

表面:镀锡

1.5-300压图.png

1.5-300表.png

上一条:铜接续管

下一条:T形接续管