****服务热线:+86-010-82719905
网站公告:
诚信为本:市场在变,诚信永远不变...
联系我们
+86-010-82719905
地址:
北京市后沙峪国门1号4FB06
公司:
北京华京顺通科技有限公司
手机:
+86-13436309569
传真:
+86-010-82717017
新闻动态
产品中心 Products
绝缘无焊料型端子
添加时间:2015/12/3 20:35:09
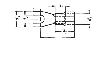
绝缘无焊料型端子

绝缘无焊料型端子,0.1-6mm2

叉式

适用于直接螺钉式安装

压接区采用硬焊

适用于细绞线和超细绞线

特性

按照 DIN 46237 标准进行制造

绝缘插片套管: PA,不含卤化物

可耐受高达 105℃的热度

材料:

Cu-ETP

绝缘套筒 PA

表面:镀锡

77.png777.png