服务热线:010-82719905
网站首页
品牌介绍
产品中心
充电式压接剪切工具
手动液压压接剪切工具
分体液压压接头剪切头
机械式压接、剪切工具
液压驱动装置(液压泵)
压接模具和工具附件
手工工具
电气连接系统(端子)
带电作业****绝缘切刀
格林利Greenlee Utility
RIDGID里奇
新闻资讯
公司新闻
行业新闻
技术服务
资源共享
RIDGID里奇
格林利
联系我们
****服务热线:
+86-010-82719905
网站公告:
诚信为本:市场在变,诚信永远不变...
产品
分类
充电式压接剪切工具
手动液压压接剪切工具
分体液压压接头剪切头
机械式压接、剪切工具
液压驱动装置(液压泵)
压接模具和工具附件
手工工具
电气连接系统(端子)
带电作业****绝缘切刀
格林利Greenlee Utility
RIDGID里奇
联系
我们
+86-010-82719905
地址:
北京市后沙峪国门1号4FB06
公司:
北京华京顺通科技有限公司
手机:
+86-13436309569
传真:
+86-010-82717017
新闻
动态
产品中心
Products
当前位置:
首页 >>
产品中心
>>
电气连接系统(端子)
>>
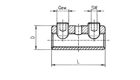
线夹和螺旋式连接器
螺钉式接续管
添加时间:2015/12/1 21:52:49
上一条:
H型线夹
下一条:
经过抛光处理的螺钉式接续管