产品分类
联系我们
+86-010-82719905
- 地址:
- 北京市后沙峪国门1号4FB06
- 公司:
- 北京华京顺通科技有限公司
- 手机:
- +86-13436309569
- 传真:
- +86-010-82717017
新闻动态
绝缘无焊料型端子
添加时间:2015/11/30 21:56:25

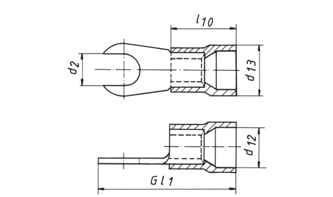
绝缘无焊料型端子,铜质 10-16mm2
叉型
用于直接螺钉安装
用于仪表连接的特殊设计
带有用于****电缆接入的对接标记
特性
带沟槽形剖面
在压接区域硬钎焊
绝缘套管:PA,不含卤化物
材料:Cu-ETP
表面:镀锡


上一条:绝缘针形端子
下一条:没有了!



