****服务热线:+86-010-82719905
网站公告:
诚信为本:市场在变,诚信永远不变...
联系我们
+86-010-82719905
地址:
北京市后沙峪国门1号4FB06
公司:
北京华京顺通科技有限公司
手机:
+86-13436309569
传真:
+86-010-82717017
新闻动态
产品中心 Products
绝缘无焊料型端子
添加时间:2015/11/30 21:52:24
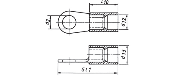
绝缘无焊料型端子

绝缘无焊料型端子,铜质,10-150mm2

用于导线,例如 VDE 0295 第 2、5、6 类

带有用于****电缆接入的对接标记

特性

绝缘套管 PA,无卤化物,易于电缆插入

符合 DIN 46234 的管尺寸

带沟槽形剖面

在压接区域硬钎焊

材料:Cu-ETP

表面:镀锡

10-150绝缘无焊压图.png10-150绝缘无焊表.png10-150绝缘无焊表2.png

上一条:铜质异径套管

下一条:绝缘针形端子